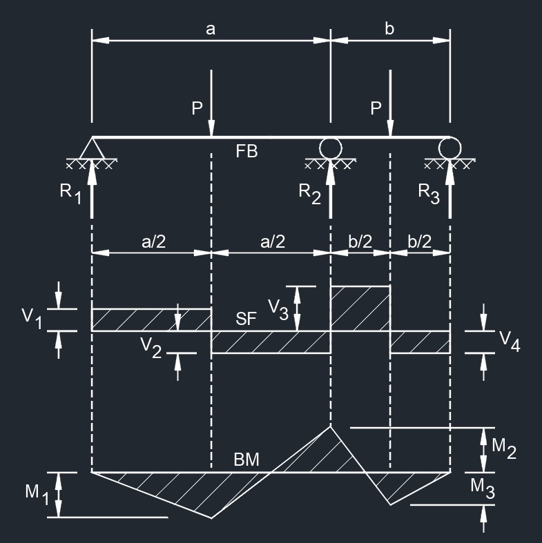
Two Span Continuous Beam - Unequal Spans, Concentrated Load on Each Span Symmetrically Placed
- See Article - Beam Design Formulas
Two Span Continuous Beam - Unequal Spans, Concentrated Load on Each Span Symmetrically Placed formulas |
||
|
\( R_1 \;=\; V_1 \;=\; \dfrac{ M_2 }{ a } + \dfrac{ P_1 }{ 2 } \) \( R_2 \;=\; P_1 + P_2 - R_1 - R_3 \) \( R_3 \;=\; V_4 \;=\; \dfrac{ M_2 }{ b } + \dfrac{ P_2 }{ 2 } \) \( M_1 \;=\; R_1 \cdot \dfrac{a }{ 2 } \) \( M_2 \;=\; -\;\dfrac{3 }{ 16 } \cdot \dfrac{ P_1\cdot a^2 + P_2 \cdot b^2 }{ a + b } \) \( M_3 \;=\; R_3\cdot \dfrac{ b }{ 2 } \) |
||
| Symbol | English | Metric |
| \( M \) = maximum bending moment | \(lbf-in\) | \(N-mm\) |
| \( V \) = maximum shear force | \(lbf\) | \(N\) |
| \( R \) = reaction load at bearing point | \(lbf\) | \(N\) |
| \( a, b \) = span length under consideration | \(in\) | \(mm\) |
| \( P \) = total consideration load | \(lbf\) | \(N\) |

Diagram Symbols
Bending moment diagram (BMD) - Used to determine the bending moment at a given point of a structural element. The diagram can help determine the type, size, and material of a member in a structure so that a given set of loads can be supported without structural failure.
Free body diagram (FBD) - Used to visualize the applied forces, moments, and resulting reactions on a structure in a given condition.
Shear force diagram (SFD) - Used to determine the shear force at a given point of a structural element. The diagram can help determine the type, size, and material of a member in a structure so that a given set of loads can be supported without structural failure.
Uniformly distributed load (UDL) - A load that is distributed evenly across the entire length of the support area.

Similar Articles
- Cantilever Beam - Load at Free End Deflection Vertically with No Rotation
- Cantilever Beam - Concentrated Load at Free End
- Cantilever Beam - Load Increasing Uniformly to One End
- Overhanging Beam - Uniformly Distributed Load Overhanging Both Supports
- Beam Fixed at One End - Concentrated Load at Any Point
