Beam Design Formulas
Structural beam design refers to the process of determining the appropriate size and shape of beams that will be used in construction to support and distribute loads within a building or structure. Beams are horizontal or inclined structural members that carry vertical loads. The design of structural beams involves several important considerations to ensure the safety, stability, and efficiency of a structure.
|
See Articles
|
See Articles
|
Simple Supported Beam
Uniformly Distributed Load
Load Increasing Uniformly to One End
Load Increasing Uniformly to Center
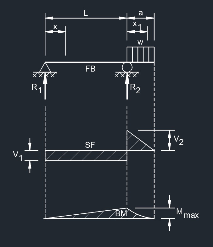
Uniform Load Partially Distributed at One End
Uniform Load Partially Distributed at Any Point
Uniform Load Partially Distributed at Each End
Concentrated Load at Center
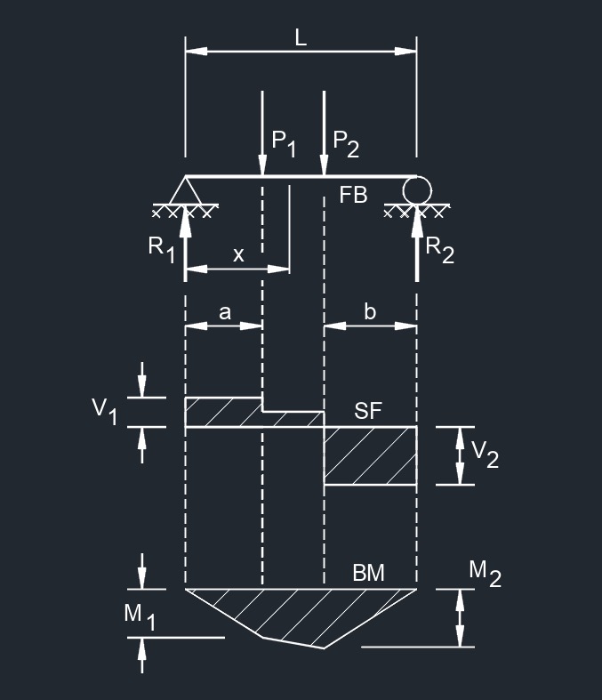
Concentrated Load at Any Point
Two Point Loads Equally Spaced
Two Equal Point Loads Unequally Spaced
Two Unequal Point Loads Unequally Spaced
Uniformly Distributed Load and Variable End Moments
Central Point Load and Variable End Moments
Beam Fixed at One End
Beam Fixed at Both Ends
Uniformaly Distributed Load
Concentrated Load at Center
Concentrated Load at Any Point
Cantilever Beam
Uniformaly Distributed Load
Load Increasing Uniformly to One End
Uniformly Distributed Load and Variable End Moments
Concentrated Load at Any Point
Concentrated Load at Free End
Load at Free End Deflection Vertically with No Rotation
Overhanging Beam
Uniformly Distributed Load
Uniformly Distributed Load on Overhang
Uniformly Distributed Load Over Supported Span
Uniformly Distributed Load Overhanging Both Supports
Point Load on Beam End
Point Load Between Supports at Any Point
Two Span Continuous Beam
Equal Spans, Uniformly Distributed Load
Equal Spans, Uniform Load on One Span
Unequal Spans, Uniformly Distributed Load
Equal Spans, Concentrated Load at Center of One Span
Equal Spans, Two Equal Concentrated Loads Symmetrically Placed
Equal Spans, Concentrated Load at Any Point
Unequal Spans, Concentrated Load on Each Span Symmetrically Placed
Three Span Continuous Beam
Equal Spans, Uniformly Distributed Load
Equal Spans, Uniform Load on Two Spans to One Side
Equal Spans, Uniform Load on Two Spans at Each End
Four Span Continuous Beam
Equal Spans, Uniformly Distributed Load
Equal Spans, Uniform Load on Three Spans
Equal Spans, Uniform Load on Two Spans
Nomenclature, Symbols, and Units for Beam Supports |
||||||
| Symbol | Greek Symbol | Definition | English | Metric | SI | Value |
| \(\Delta\) | Delta | deflection or deformation | \(in\) | \(mm\) | \(mm\) | - |
| \(a, b\) | - | distance to point load | \(in\) | \(mm\) | \(mm\) | - |
| \(w\) | - | highest load per unit length | \(lbf\;/\;in\) | \(N\;/\;m\) | \(N-m^{-1}\) | |
| \(x\) | - | horizontal distance from reaction to point on beam | \(in\) | \(mm\) | \(mm\) | - |
| \(w\) | - | load per unit length | \(lbf\;/\;in\) | \(N\;/\;m\) | \(N-m^{-1}\) | - |
| \(M\) | - | maximum bending moment | \(lbf-in\) | \(N-mm\) | \(N-mm\) | - |
| \(V\) | - | maximum shear force | \(lbf\) | \(N\) | \(kg-m-s^{-2}\) | |
| \(\lambda\) | lambda | modulus of elasticity | \(lbf\;/\;in^2\) | \(MPA\) | \(N-mm^{-2}\) | - |
| \(R\) | - | reaction load at bearing point | \(lbf\) | \(N\) | \(kg-m-s^{-2}\) | - |
| \(I\) | - | second moment of area (moment of inertia) | \(in^4\) | \(mm^4\) | \(mm^4\) | - |
| \(L\) | - | span length of the bending member | \(in\) | \(mm\) | \(mm\) | - |
| \(P\) | - | total concentrated load | \(lbf\) | \(N\) | \(kg-m-s^{-2}\) | - |
| \(W\) | - | total load \(\left( \frac{w\;L}{2} \right)\) | \(lbf\) | \(N\) | \(kg-m-s^{-2}\) | - |

Similar Articles
- Stress Corrosion Cracking
- Three Span Continuous Beam - Equal Spans, Uniform Load on Two Spans at Each End
- Two Span Continuous Beam - Unequal Spans, Uniformly Distributed Load
- Two Span Continuous Beam - Equal Spans, Concentrated Load at Center of One Span
- Two Span Continuous Beam - Equal Spans, Uniform Load on One Span



