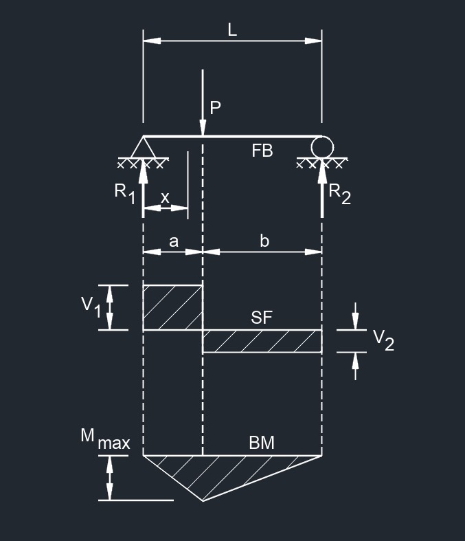
Simple Beam - Concentrated Load at Any Point
- See Article - Beam Design Formulas
| Simple Beam - Concentrated Load at Any Point formulas | ||
| \( R_1 \;=\; V_1 \; ( max.\; when \;\; a < b ) \;=\; \dfrac{ P \cdot b }{ L } \) \( R_2 \;=\; V_2 \; ( max.\; when \;\; a > b ) \;=\; \dfrac{ P \cdot a }{ L } \) \( M_{max} \; (at \;point \;of \;load ) \;=\; \dfrac{ P \cdot a \cdot b }{ L } \) \( M_x \; ( x < a ) \;=\; \dfrac{ P \cdot b \cdot x }{ L } \) \( \Delta_a \; (at \;point \;of \;load ) \;=\; \dfrac{ P \cdot a^2 \cdot b^2 }{ 3 \cdot \lambda \cdot I \cdot L } \) \( \Delta_x \; ( x < a ) \;=\; \dfrac{ P \cdot b \cdot x }{ 6\cdot \lambda \cdot I \cdot L } \cdot ( L^2 - b^2 - x^2 ) \) \( \Delta_{max} \; (at \; x = \sqrt{ \frac{ a\; ( a \;+\; 2\;b ) }{3} } \; when \; a > b ) \;=\; \dfrac{ P\cdot a\cdot b \cdot ( a + 2\cdot b) \cdot \sqrt{ 3\cdot a \cdot ( a + 2\cdot b ) } }{ 27\cdot \lambda \cdot I \cdot L }\) | ||
| Symbol | English | Metric | 
| \( R \) = reaction load at bearing point | \(lbf\) | \(N\) | 
| \( V \) = maximum shear force | \(lbf\) | \(N\) | 
| \( M \) = maximum bending moment | \(lbf - in\) | \(N - mm\) | 
| \( \Delta \) = deflection or deformation | \(in\) | \(mm\) | 
| \( a, b \) = distance to point load | \(in\) | \(mm\) | 
| \( P \) = total concentrated load | \(lbf\) | \(N\) | 
| \( L \) = span length of the bending member | \(in\) | \(mm\) | 
| \( x \) = horizontal distance from reaction to point on beam | \(in\) | \(mm\) | 
| \( \lambda \) (Greek symbol lambda) = modulus of elasticity | \(lbf\;/\;in^2\) | \(Pa\) | 
| \( I \) = second moment of area (moment of inertia) | \(in^4\) | \(mm^4\) | 
 
 
Diagram Symbols
Bending moment diagram (BMD)  -  Used to determine the bending moment at a given point of a structural element.  The diagram can help determine the type, size, and material of a member in a structure so that a given set of loads can be supported without structural failure.
Free body diagram (FBD)  -  Used to visualize the applied forces, moments, and resulting reactions on a structure in a given condition.
Shear force diagram (SFD)  -  Used to determine the shear force at a given point of a structural element.  The diagram can help determine the type, size, and material of a member in a structure so that a given set of loads can be supported without structural failure.
Uniformly distributed load (UDL)  -  A load that is distributed evenly across the entire length of the support area.

